Mạch khuếch đại âm thanh là gì? Bạn đã bao giờ thắc mắc vì sao một tín hiệu âm thanh yếu ớt từ micro lại có thể phát ra rõ ràng qua loa lớn? Trong bài viết này, chúng ta sẽ cùng tìm hiểu về khái niệm, cũng như nguyên lý hoạt động và tính ứng dụng của bộ khuếch đại âm thanh trong thực tế nhé.
Mạch khuếch đại âm thanh là gì?
Một mạch khuếch đại tín hiệu âm thanh thường trải qua nhiều giai đoạn xử lý tín hiệu khác nhau, trong đó bao gồm ba loại khuếch đại chính: khuếch đại điện áp, khuếch đại dòng điện và khuếch đại công suất.

Trong đó, mạch khuếch đại điện áp chủ yếu có nhiệm vụ tăng biên độ tín hiệu đầu vào mà không làm thay đổi tần số hay đặc tính gốc của âm thanh. Kế đến, mạch khuếch đại dòng điện có khả năng cấp đủ dòng cho tải, đảm bảo hoạt động ổn định của hệ thống. Cuối cùng, mạch khuếch đại công suất kết hợp cả hai chức năng trên, vừa khuếch đại điện áp, vừa khuếch đại dòng để tạo ra công suất đầu ra đủ mạnh nhằm điều khiển loa hoặc các thiết bị phát âm thanh lớn. Do đó, bộ xử lý âm thanh về bản chất chính là mạch khuếch đại công suất.
Hiện nay, mạch khuếch đại tín hiệu được thiết kế dưới nhiều dạng khác nhau tùy vào mục đích sử dụng và môi trường ứng dụng. Chúng có thể được tích hợp sẵn trong thiết bị điện tử tiêu dùng như tivi, radio, loa di động, hoặc tồn tại dưới dạng các module rời trong hệ thống âm thanh chuyên nghiệp.
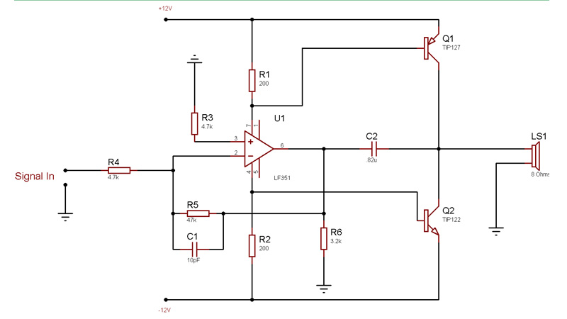
Sơ đồ và nguyên lý hoạt động của mạch khuếch đại âm thanh
Sơ đồ và nguyên lý hoạt động của mạch khuếch đại điện tử giúp người dùng hiểu rõ cách thức các linh kiện phối hợp để khuếch đại tín hiệu âm thanh. Thông qua những nội dung bên dưới đây, bạn sẽ hiểu rõ hơn về linh kiện này.
Sơ đồ
Sơ đồ bộ tăng âm thể hiện cách bố trí và liên kết các linh kiện điện tử nhằm mục đích tăng cường tín hiệu âm thanh yếu thành tín hiệu mạnh đủ để truyền đến loa hoặc thiết bị đầu ra. Thông qua sơ đồ, người thiết kế hoặc kỹ thuật viên có thể dễ dàng theo dõi trình tự hoạt động, nhận biết chức năng từng khối trong hệ thống, từ đó tối ưu hiệu quả cũng như đảm bảo tính ổn định khi vận hành.

Ngoài ra, sơ đồ còn thể hiện các thành phần hỗ trợ như tụ điện lọc, điện trở định dòng, diode bảo vệ, biến áp tín hiệu hoặc IC chuyên dụng. Mỗi thành phần giữ một chức năng riêng, đảm bảo hệ thống vận hành ổn định, hạn chế méo âm, giảm nhiễu và duy trì chất lượng âm thanh đầu ra.
Tùy vào mục đích sử dụng, sơ đồ mạch có thể đơn giản hoặc phức tạp. Những hệ thống âm thanh cơ bản thường sử dụng vài linh kiện chủ chốt, trong khi các bộ khuếch đại công suất lớn có thể tích hợp nhiều tầng xử lý, thêm mạch hồi tiếp, lọc tần số, bảo vệ nhiệt và chống ngắn mạch.
Nguyên lý hoạt động
Nguyên lý hoạt động của mạch khuếch đại âm thanh là một chuỗi quá trình phức hợp. Âm thanh trong môi trường, bao gồm giọng nói, nhạc cụ, tiếng động tự nhiên… sẽ được thu nhận thông qua micro. Bộ phận này có nhiệm vụ chuyển đổi dao động không khí thành tín hiệu điện tương ứng với biến thiên áp suất của sóng âm gốc. Sau khi chuyển đổi, tín hiệu này thường rất nhỏ và cần được xử lý tiếp trước khi có thể tái tạo thành âm thanh thực tế.

Tín hiệu điện vừa thu được sẽ đi qua các bộ tiền khuếch đại. Giai đoạn này đóng vai trò rất quan trọng, giúp nâng tín hiệu ban đầu lên mức đủ để đưa vào tầng xử lý tiếp theo mà không làm biến dạng nội dung ban đầu. Sau khi được tiền khuếch đại, tín hiệu được truyền vào mạch chính – nơi có các linh kiện như transistor, op-amp, IC khuếch đại hoạt động theo nguyên tắc điều biến dòng và áp dựa trên sự thay đổi nhỏ ở đầu vào, từ đó tạo ra một tín hiệu lớn hơn ở đầu ra.
Trong suốt quá trình này, tín hiệu âm thanh được chia thành nhiều kênh và truyền qua các điện trở nhằm giảm thiểu can nhiễu, hạn chế méo tiếng. Mỗi kênh có thể xử lý dải tần riêng biệt để tối ưu chất lượng âm thanh. Khi dòng điện chạy qua các linh kiện khuếch đại, giá trị điện áp sẽ thay đổi tương ứng với biến thiên ban đầu, nhờ đó tái tạo tín hiệu ở mức năng lượng cao hơn.
Các loại mạch khuếch đại âm thanh
Tiền khuếch đại là loại đầu tiên thường gặp trong cấu trúc hệ thống âm thanh. Mạch này được đặt gần nguồn tín hiệu như micro, nhạc cụ điện tử hoặc cảm biến âm thanh. Chức năng chính là nâng mức tín hiệu ban đầu vốn rất yếu lên ngưỡng đủ lớn để tiếp tục truyền đến các tầng xử lý tiếp theo mà không bị suy hao hay méo dạng. Nhờ vào tiền khuếch đại, tín hiệu giữ được độ trung thực và ổn định trong quá trình truyền tải.

Kế tiếp là mạch khuếch đại điện áp – thành phần quan trọng có vai trò xử lý tín hiệu trong dải tần âm thanh. Mạch này nhận đầu vào từ tiền khuếch đại và tiếp tục tăng biên độ điện áp nhằm phục vụ cho các hệ thống số hóa tín hiệu như bộ chuyển đổi ADC (Analog to Digital Converter). Loại này không chỉ áp dụng trong truyền phát âm thanh mà còn được tích hợp vào các hệ thống điều khiển tự động, nơi tín hiệu âm thanh được sử dụng để điều khiển hiệu ứng như ánh sáng, vòi phun hay thiết bị tương tác.
Cuối cùng là mạch khuếch đại công suất – thành phần chủ lực tạo nên khả năng phát âm thanh ở mức lớn. Mạch này xử lý tín hiệu đã qua nhiều giai đoạn khuếch đại trước đó và tăng công suất đủ mạnh để điều khiển loa, tai nghe hoặc hệ thống âm thanh công cộng. Tùy theo yêu cầu sử dụng, mạch có thể tạo ra công suất từ vài miliwatt đến hàng kilowatt. Một số mạch chỉ xử lý âm tần thấp (trên 20Hz), phù hợp với giới hạn tái tạo âm thanh của loa nhất định.
Công dụng của mạch khuếch đại âm thanh
Công dụng chính của mạch là nâng cao cường độ tín hiệu âm thanh từ các nguồn phát như điện thoại, USB, đầu phát DVD, micro hoặc thiết bị lưu trữ khác, sau đó truyền đến amply hoặc loa để phát ra âm thanh có công suất lớn hơn, rõ ràng hơn, phục vụ nhiều mục đích khác nhau từ giải trí đến công việc chuyên môn.
Trong chuỗi xử lý tín hiệu, mạch khuếch đại đảm nhiệm việc tăng biên độ tín hiệu mà không làm thay đổi nội dung hay chất lượng âm thanh gốc. Nhờ đó, dù tín hiệu đầu vào rất yếu, thiết bị vẫn có thể phát ra âm thanh rõ ràng, đủ lớn để nghe ở không gian rộng như sân khấu, hội trường, phòng họp hay rạp chiếu phim.

Trước đây, bộ khuếch đại thường được thiết kế riêng biệt, người dùng cần kết nối rời rạc với các thiết bị phát, khiến việc lắp đặt, sử dụng phức tạp và tốn kém hơn. Tuy nhiên, với sự phát triển nhanh chóng của ngành điện tử và công nghệ âm thanh, các nhà sản xuất đã tích hợp mạch khuếch đại trực tiếp vào thiết bị như loa kéo, loa Bluetooth, tivi thông minh hay các dàn âm thanh mini.
Bên cạnh mục đích giải trí, mạch khuếch đại còn được ứng dụng trong các lĩnh vực chuyên dụng như phát thanh truyền hình, biểu diễn chuyên nghiệp, thu âm phòng thu hay hệ thống báo động, thông báo công cộng. Mỗi ứng dụng đều yêu cầu mức công suất, độ trung thực và tính năng kỹ thuật khác nhau.
Ứng dụng mạch khuếch đại âm thanh trong thực tiễn
Trên thực tế, công nghệ khuếch đại được ứng dụng rộng rãi trong nhiều lĩnh vực khác nhau. Đầu tiên phải kể đến ngành công nghiệp âm nhạc và truyền hình, nơi thiết bị này hỗ trợ tái tạo âm thanh trung thực trong các phòng thu, sân khấu biểu diễn hay dàn âm thanh tại gia. Thiết bị điện tử như loa, micro, tai nghe đều cần mạch khuếch đại để đảm bảo tín hiệu âm thanh không bị méo hay giảm chất lượng khi truyền tải. Ngoài ra, trong hệ thống âm thanh xe hơi hay các thiết bị hội thảo, thiết bị này giúp tăng âm lượng phù hợp với môi trường sử dụng.

Bên cạnh đó, bộ khuếch đại âm thanh còn được sử dụng trong ngành y tế, hỗ trợ các thiết bị trợ thính cho người khiếm thính. Thiết bị này giúp khuếch đại các tín hiệu âm thanh nhỏ, giúp người dùng nghe rõ hơn, nâng cao chất lượng cuộc sống. Trong công nghiệp và kỹ thuật, mạch khuếch đại còn được ứng dụng trong các hệ thống đo lường, giám sát âm thanh, giúp phát hiện tiếng động nhỏ hoặc tín hiệu âm thanh từ môi trường làm việc phức tạp.
Nhờ vào sự phát triển của công nghệ bán dẫn, các mạch khuếch đại ngày càng nhỏ gọn, tiết kiệm điện năng và có độ ổn định cao hơn, từ đó mở rộng phạm vi ứng dụng trong các thiết bị điện tử di động và thông minh. Tính linh hoạt của chúng giúp người dùng dễ dàng tích hợp vào nhiều sản phẩm với yêu cầu kỹ thuật đa dạng.
Lịch sử của máy khuếch đại âm thanh
Vào năm 1906, nhà phát minh Lee De Forest đã tạo ra một bước đột phá với phát minh triode – một thiết bị điện tử chân không gồm ba điện cực, trong đó có một tấm điều khiển nhằm kiểm soát dòng electron từ dây tóc đến các tấm thu. Triode chính là nền tảng quan trọng đầu tiên giúp khuếch đại tín hiệu yếu, mở ra kỷ nguyên mới cho các thiết bị âm thanh và truyền thanh.

Thiết bị này nhanh chóng được ứng dụng trong các hệ thống đài phát thanh AM, góp phần nâng cao chất lượng phát sóng và mở rộng phạm vi nghe. Nhờ triode, tín hiệu điện nhỏ bé có thể được tăng cường mạnh mẽ mà không làm mất đi độ trung thực, giúp âm thanh phát ra rõ ràng và sống động hơn. Trong những năm tiếp theo, các máy khuếch đại âm thanh dựa trên ống chân không trở thành chuẩn mực, nổi bật với khả năng xử lý công suất lớn và mang lại chất lượng âm thanh vượt trội.
Dù vậy, với sự tiến bộ của công nghệ bán dẫn vào giữa thế kỷ 20, máy khuếch đại điện tử dạng rắn đã dần thay thế ống chân không do kích thước nhỏ gọn, độ bền cao và tiết kiệm năng lượng. Các bộ khuếch đại hiện đại ngày nay phần lớn hoạt động dựa trên linh kiện bán dẫn, giúp thiết kế trở nên đa dạng, tiện lợi và phù hợp với nhiều ứng dụng khác nhau từ âm thanh gia đình đến hệ thống chuyên nghiệp.
Kết luận
Như vậy, mạch khuếch đại âm thanh đóng vai trò then chốt trong việc nâng cao chất lượng và hiệu suất truyền tải tín hiệu âm thanh trong nhiều ứng dụng thực tiễn. Từ lĩnh vực giải trí, truyền thông đến y tế và kỹ thuật, thiết bị này không ngừng phát triển và cải tiến nhằm đáp ứng nhu cầu ngày càng đa dạng của người dùng. Sự hiện diện của mạch khuếch đại tín hiệu không chỉ giúp âm thanh trở nên rõ ràng, mạnh mẽ hơn mà còn góp phần tạo nên trải nghiệm nghe phong phú và sống động hơn.
Xem thêm:





